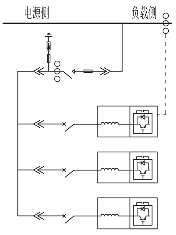
APF装置:主塑壳断路器、集中监控屏、快速熔断器、分支塑壳断路器、APF功率模块单元等元器件构成。
APF装置灵活运用GCS/MNS低压抽出式开关柜结构特点,柜内带电母线做到了全封闭式防护等级。各功率补偿单元延用抽屉式结构,单元与单元之间独立运行,互不影响。各抽屉配备闭锁机构,塑壳合闸后闭锁抽屉摇进摇出机构,确保装置运行安全。单元内部设计独立风道,强排风机接受温度控制器控制自动启停,严格控制单元内部温升。APF装置抽屉单元内部具有智能监控功能,通过调节IGBT器件的导通、关断,实现反向谐波电流输出与停止。
APF装置应用场所中频炉、电弧炉、点焊机、精炼炉、变频器、电机类负载、整流负载、轧机、后台服务器、高频类负载等。
1:系统额定工作电压:AC400V,装置能在1.1倍额定电压下长期运行;
2:额定工作频率:50Hz;
3:额定滤波容量:450A;
4:防护等级:IP30;
5:有源滤波控制开关类型:IGBT;:
6:主进线开关类型:塑壳断路器、快速熔断器;
7:分支开关类型:分支塑壳断路器;:
8:保护功能:过载保护、短路保护、过欠压保护功能、自动复归检测功能、智能巡检功能;
-
用料讲究 品质保证
与国内外知名品牌供应商形成战略合作,成熟,稳定的原材料供应渠道,性能稳定,质量有保障。
封闭设计 安全可靠
封闭式母排结构设计,模块化组装,安全整洁,彻底摆脱带电体裸露、结构散乱、线束缠绕等一系列安全隐患。
-
-
熔丝保护 响应快速
创造性采用熔断器代替传统微型断路器,6KA(Icu)→100KA(Icu)改变的不是一个数字,而是一种安全观念!
精确投切 无涌流
精确的过零点投切技术,降低电网传输损耗,抑制电压波动,解决电容器鼓肚、电抗器发热、熔丝断路的困扰
研发实力
拥有专业的研发技术团队,专注于无功补偿领域的研究,不断创新
生产实力
5000平方米生产车间,从国外引进 生产设备,满足任何行业的需求
质量检测
具备完善的检测实验设备,配备专业化质检人员,质量有保障
贴心服务
安排人员定期巡检,上门检修等服务,24h全天候售后服务体系
合肥众升科技有限公司于2001年8月成立,坐落于安徽省合肥市肥东县经济开发区,致力于无功补偿领域的研发、设计和生产,是一家拥有自主知识产权的电气企业。公司先后获得了中国质量认证中心的ccc认证、ISO9001质量体系认证、国家电器产品质量监督检验中心型式试验的认可。
|
热线电话:400-176-0551 公司传真:0551-65372899 客服QQ:2726472126 邮箱:2726472126@qq.com 地址:安徽省肥东县经济开发区柳孜路 |
采购:(APF)抽屉式低压有源滤波柜
- *联系人:
- *手机:
- 公司名称:
- 邮箱:
- *采购意向:
-
*验证码:
跟此产品相关的产品 / Related Products
联系众升
服务热线:400-176-0551- 手机:400-176-0551
- 传真:0551-65372899
- 客服QQ:2726472126
- 邮箱:2726472126@qq.com
- 地址:安徽省肥东县经济开发区柳孜路




合肥众升科技有限公司

